Pour ceux qui souhaitent faire un montage avec lâESP 32 et un Ă©cran 320*240 pixels intĂ©grĂ©, il existe une famille de cartes trĂšs intĂ©ressantes. Elles sont disponibles avec un Ă©cran tactile rĂ©sistif ou capacitif.
- Tactile résistif
- ESP32-2432S028R
- Ecran 2.8 pouces
- Ecran type ILI9341
- Back Light gpio 27
- Touch panel XPT2046
- ESP32-2432S028
- Ecran 2.8 pouces
- Ecran type ST7789
- Back Light gpio 27
- Touch panel XPT2046
- ESP32-2432S024
- Ecran 2.4 pouces
- Ecran type ILI9341
- Back Light gpio 21
- Touch panel XPT2046
- ESP32-024
- Ecran 2.4 pouces
- Ecran type ST7789
- Back Light gpio 21
- Touch panel XPT2046
- ESP32-2432S028R
- Tactile Capacitif
- ESP32-2432S024
- Ecran 2.4 pouces
- Ecran type ILI9341
- Back Light gpio 21
- Touch panel CST820
- JC2432W328
- Ecran 2.8 pouces
- Ecran type ST7789
- Back Light gpio 27
- Touch panel CST820
- ESP32-2432S032
- Ecran 3.2 pouces
- Ecran type ST7789
- Back Light gpio 27
- Touch panel GT911
- ESP32-2432S024
Chaque carte comprend:
- un ESP32 Wroom (bi-coeur)
- un écran tactile 320*240 pixels
- un capteur de luminosité
- une LED 3 couleurs en face avant ou face arriĂšre (rouge : gpio 4, vert et bleu gpios 16 ou 17 suivant la carte)
- un capteur tactile résistif XPT2046 ou capacitif CST820, GT911
Ces cartes sont appelées également « ESP32-Cheap-Yellow-Display » ou CYD on les trouve chez Aliexpress.
Ces cartes ont nĂ©anmoins une faiblesse pour certaines applications. Câest le nombre rĂ©duit de GPIO. Il nây en a que 3 de disponibles dans la version de base et jusquâĂ 6 dans la version JC2432W328.
Dans cet article, on va voir comment étendre facilement le nombre de GPIO, en rajouter 4 de plus afin de pouvoir développer des applications qui en requiÚrent un grand nombre.

Ăcran
Plusieurs bibliothĂšques existent en utilisant lâIDE Arduino. Personnellement, jâai pris la « LovyanGFX ». Voir lâexemple plus bas compatible des 6 modĂšles prĂ©sentĂ©s.
ESP32 Wroom

L’ESP32 Wroom est un processeur bi-coeur tournant Ă 240MHz disposant du Wifi et du Bluetooth permettant des applications trĂšs puissantes comme le routeur photovoltaĂŻque F1ATB
Avec l’outil de dĂ©veloppement IDE Arduino, il faut dans les prĂ©fĂ©rences faire appel au gestionnaire de carte de « Espressif » qui dĂ©veloppe lâESP32. Allez dans Fichier / PrĂ©fĂ©rences et mettez lâadresse : https://dl.espressif.com/dl/package_esp32_index.json

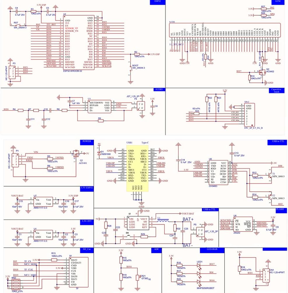
ESP32-2432S028R
Cette carte de 2.8 pouces existe en deux configurations avec un écran type ILI9341 ou un écran ST7789 et un tactile résistif.

GPIO
Elle ne dispose que de 3 GPIO disponibles (ici en vert) le 22, le 27 et le 35. Malheureusement le 35 ne fonctionne quâen entrĂ©e, numĂ©rique ou analogique.
Pour Ă©tendre le nombre de GPIO, on peut rĂ©cupĂ©rer facilement ceux utilisĂ©s pour la carte mĂ©moire micro-SD si on ne l’utilise pas (en jaune dans le tableau). On peut utiliser un « Card-Sniffer » que l’on trouve chez Aliexpress. C’est une fausse carte mĂ©moire qui fournit les broches / GPIO.
On peut Ă©galement dessouder l’enveloppe mĂ©tallique du support pour accĂ©der aux 4 GPIO qui servent Ă piloter la carte SD. Ensuite, on peut souder des pins dupont au pas de 2.54 en fixant l’ensemble sur les cĂŽtĂ©s aux points de soudure de l’enveloppe.


LDR Luminosité ambiante

Sur l’avant de la carte, il y a une rĂ©sistance variable avec la luminositĂ©. Sa rĂ©sistance d’alimentation est trop forte. Il faut la rĂ©duire pour bĂ©nĂ©ficier d’une bonne dynamique de mesure en analogique sur le GPIO 34. Souder en parallĂšle Ă R15 une rĂ©sistance de 20 Ă 47k ohm. Ainsi, en mesurant la tension Ă©lectrique sur le GPIO34 vous pouvez intĂ©grer une mesure de luminositĂ© dans votre programme.
ESP32-2432S024
Cette famille de cartes de 2.4 pouces dispose dâun Ă©cran rĂ©sistif ou capacitif (prĂ©fĂ©rable). LâĂ©cran est un ILI9341 ou ST7789.
Pour les GPIO, seuls 3 sont disponibles : 21,22,35. Sachant que le 35 nâest quâen entrĂ©e. On peut, comme dans lâexemple prĂ©cĂ©dent, rĂ©cupĂ©rer les GPIO qui gĂšrent le connecteur micro-SD.
JC2432W328

Câest une des cartes les plus intĂ©ressantes avec un Ă©cran de 2.8 pouces , un tactile capacitif (plus pratique que le rĂ©sistif) et 6 GPIO de disponibles. NĂ©anmoins :
GPIO 4 : allume la LED rouge avec un 0. A utiliser de préférence en sortie,
GPIO 16: allume la LED verte avec un 0. A utiliser de préférence en sortie,
GPIO 17: allume la LED bleue avec un 0. A utiliser de préférence en sortie,
GPIO 21: en entrée ou sortie
GPIO 22 : en entrée ou sortie
GPIO 35 : en entrée numérique ou analogique
ESP32-2432S032
Câest une grande carte intĂ©ressante avec un Ă©cran de 3.2 pouces , un tactile capacitif (plus pratique que le rĂ©sistif) . On retrouve sur un connecteur les GPIOs 21,22,35 comme sur la carte prĂ©cĂ©dente avec la possibilitĂ© d’utiliser les GPIOs de la carte mĂ©moire en plus.


Alimentation
Il est possible d’alimenter la carte par le micro-port USB ou par le connecteur 4 broches Ă cĂŽtĂ© avec une alimentation qui fournit du 5V et 500mA au minimum.
Haut-Parleur
Sur le GPIO26, il y a un petit amplificateur permettant de connecter un petit haut-parleur de 4 ou 8 ohm, afin d’envoyer des signaux audio si besoin.
Exemple de code
Ci-joint un exemple de code pour les cartes :
- ESP32-2432S028,
- ESP32-024,
- ESP32-2432S028
- ESP32-2432S024
- ESP32-2432S024
- JC2432W328
- ESP32-2432S032C
Installez sur lâoutil de dĂ©veloppement IDE Arduino la bibliothĂšque LovyanGFX. En allant sur Google, vous trouverez le jeu dâinstructions pour piloter le gĂ©nĂ©rateur graphique.
Dezippez le fichier et faite une compilation dans IDE Arduino.
Le code est également disponible sur Github
Par le port sĂ©rie Ă 115000 bauds, si vous envoyez H ou ?, en retour vous avez le rĂ©sumĂ© des commandes pour choisir le modĂšle de carte et la rotation de lâaffichage. Pour les avec un Ă©cran tactile rĂ©sistif, si vous touchez lâĂ©cran, cela dĂ©bute par une phase de calibration.
Montage

Pour le montage, je vous propose une boite Ă imprimer en 3D qui inclut le couvercle sur l’arriĂšre. Le trou en bas Ă droite permet de loger un capteur infra-rouge (PIR) (GPIO 35 par exemple) qui par programmation permet d’allumer l’Ă©cran si une personne se prĂ©sente devant. Dans la partie basse, il est possible de loger l’alimentation 230V / 5V 700mA dĂ©crite plus haut.

Présentation vidéo
/






